Home
Failsafe Disc Brakes
Thruster Disc Brakes – USB
Thruster Disc Brakes – TEXU
Compact Disc Brakes – CB8
Hydraulic Disc Brakes – SHI
Disc Couplings
Release Units
Hoerbiger Hydraulic Units – V2 & V3
Brake Controls Units – BCU
Electromagnet Release Units
Industrial Drum Brakes
TE Drum Brakes
SB Drum Brakes
Drum Couplings
Options & Accessories
Storm & Wind Brakes
Storm Brakes
RHI Storm Brakes
RPS Storm Brakes
Wind Brakes
Brake shoes and linings
Drum Brake Shoes & Linings
Disk Brake Linings
Relining Service
Disc & Drum Couplings
Disc Couplings
Drum Couplings
Locally Stocked Couplings
EMG Electro Hydraulic Thrusters
Eldro Thruster Type Ed
Elhy Thruster Type EB
IEC & Atex Explosion Proof Thrusters
Thrusters for GEC – Witton Kramer KT
Thruster Repairs
Crane Wheels
Crane Buffers
Hydraulic Buffers – Bumpers HD
Polyurethane Buffers – Bumpers PB
Contact Us
1800 174 447
Select Page
Home
»
Industrial Drum Brakes
»
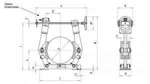
SB Drum Brakes
»
SBM
SBM
Talk To Our Experts
1800 174 447
Please enable JavaScript in your browser to complete this form.
Name
*
Phone
*
Email
*
How can we help?
*
Website
Ask Our Experts
Technical Documentation